articol recuperat si postat pe arduinotehniq.com in 01.2016

Modul de comanda a LED-urilor RGB
(LED-uri tricolore)


* initiere articol in 24.09.2012, Craiova

       LED-urile RGB sau, pe romaneste, tricolore se gasesc din abundenta in magazinele de componente electronice, desi sunt inca la pret piperat.
       In afara schemelor care folosesc doar un microcontroler (PIC sau Atmega) se pot folosi si integratele din generatia (inca neapusa) CMOS. O schema care foloseste un numarator 4029 si un generator de tact realizat cu 555, care comanda un LED tricolor uzual (20mA) se gaseste in articolul RGB LED Driver.

niq_ro

       Am redesenat schema cu ajutorului programului Livewire, in care am inlocuit generatorul de tact cu o poarta de 4093 si am mai introdus un comutator care schimba comanda LED-ului rosu cu cel albastru:
niq_ro

       Am realizat si postat o simulare a functionarii numita RGB LED driver ver1 with CMOS:


       Pentru un LED de putere (3x1W) am modificat un pic schema (atentie, e un singur LED RGB doar ca am pus mai multe in paralel pentru fiecare culoare pentru a simula consumul mare):
niq_ro

       Simularea functionarii se numeste 3W-RGB LED driver ver1_1 with CMOS:

       Dupa ce am depistat in programul Livewire, care-i problema la 4060 (pinul de RESET este negat), am desenat o schema in care este folosit doar el (oscilator si numarator):
niq_ro

       Simularea functionarii este numita RGB LED controller only 4060:

       LED-urile de putere se pot gasi ori cu terminalele separate, cu anodul comun sau cu catodul comun, asa ca am modificat schema, pentru cazul in care au un terminal comun:
- anod comun, comanda se face cu tranzistoare npn:
niq_ro

- catod comun, comanda se face cu tranzistoare pnp:
niq_ro

       Filmuletul cu simularea functionarii prezinta ambele variante si este numita 3W RGB LED controller with 4060:

       Am redesenat schema pentru un LED de putere (sau obisnuit) cu catod comun (sau terminale independente), cu ajutorului programului specializat EAGLE, pentru a putea realiza o varianta de cablaj:
niq_ro
niq_ro niq_ro
niq_ro

     Pentru a realiza cablajul, va pun la dispozitie cele 2 variante rezultate:
- cablaj pentru metoda clasica care se poate realiza ca in articolul: Cum facem un cablaj
- cablaj pentru "metoda transferului" care se poate realiza ca in articolul: Cum facem un cablaj (II).

       Valorile rezistentelor inseriate cu LED-urile de putere (curent 350mA) sunt pentru tensiunea de alimentare de 9V, ele trebuind sa aiba cel putin valoarea si puterea din tabelul urmator (se pot face si grupari serie/paralel pentru a obtine valorile si puterile necesare):

niq_ro

       Daca se doreste montarea de LED-uri obisnuite RGB sau 3 separate (curent maxim 20mA) valorile rezistentelor inseriate se modifica conform datelor din tabelul de mai jos, ele trebuind sa aiba cel putin valoarea si puterea din tabelul urmator (se pot face si grupari serie/paralel pentru a obtine valorile si puterile necesare - pentru LED-urile obisnuite puterea disipata pe rezistente nu pune probleme):
niq_ro
       Nota: in calculul valorilor s-a tinut cont si de caderea de tensiune de pe jonctiunea CE a tranzistoarelor !


       Am depistat un filmuletul cu un montaj realizat cu un 4060 (de data asta un 74HC4060) RGB Controller - 14 State Binary 74HC4060:



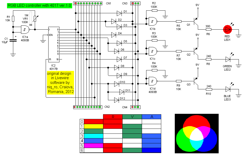
       Un alt controler se poate face cu 2 integrate CMOS, un 4093 si un 4017. O poarta a lui 4093 se foloseste pentru a realiza un oscilator, iar 4017 este folosit ca un decodificator de stari distincte. Urmeaza un sistem de codare cu diode pentru a realiza o anumita ordine de aprindere. In cazul de fata se urmareste realizarea culorilor din imaginea din dreapta jos, in sens trigonometric (invers acelor de ceasornic).
niq_ro

       Am realizat si o simulare a functionarii, filmuletul se numeste RGB controller with 4017 ver.1.0:

Intoarcere la pagina principala